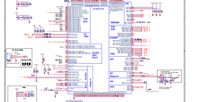
texet tm-7043 schematic

texet tm-7043 Tablet Rev:1.0 schematics

texet tm-7043 Tablet schematic file download. We are believing in reviving the technology and making minimum electronics waste, as our field is computers and laptops we are here trying to provide as much stuff as possible for free to make our contribution. At this platform you can download schematics diagram and other relative material to make it possible to repair.

Here you can download schematic diagram and other stuff for free, without any registration required.

Schematic Diagram is a drawing that shows all of the components of a circuit. This drawing shows the electrical connections between one device to another and its functions for a specific circuit arrangement. A drawing shows all of the components of a circuit by means of graphical symbols, liens and some specific shapes. The schematic diagram is used to trace the circuit and its functions. Circuit diagrams are widely used for circuit design and maintenance of electrical and electronic equipment. Schematic diagrams facilitate the technicians to resolve their problems. Circuit diagrams are widely used for Laptop/Desktop Mother Board repairing. Technicians can save their time if they use circuit diagrams to resolve problems.

Download schematic diagram file for texet tm-7043 Tablet from below link !

Schematic Download button


Warning: Undefined array key "tie_hide_author" in /home/alisaler/public_html/wp-content/themes/sahifa/single.php on line 92

Warning: Trying to access array offset on null in /home/alisaler/public_html/wp-content/themes/sahifa/single.php on line 92

Leave a Reply

error: Content is protected !!
AliSaler.com
Privacy Overview

This website uses cookies so that we can provide you with the best user experience possible. Cookie information is stored in your browser and performs functions such as recognising you when you return to our website and helping our team to understand which sections of the website you find most interesting and useful.