HP Laptop Bios ron file

HP EliteBook 830 G6 6050A3022401-MB-A01 Bios, Schematic, Boardview

HP EliteBook 830 G6 CATALONI-6050A3022401-MB-A01 8th GEN Bios bin.

HP EliteBook 830 G6 CATALONI-6050A3022401-MB-A01 8th Gen Bios bin file download.We are believing in reviving the technology and making minimum electronics waste, as our field is computers and laptops we are here trying to provide as much stuff as possible for free to make our contribution. At this platform you can download confirm and tested bios files and other relative material to make it possible to repair.

Here you can download bios and other stuff for free, without any registration required.

Always remember! First Backup your old Bios chip and save it at (USB or Hard drive) then copy the downloaded Bios bin file into the Bios chip.Some time the machine states changed after programming bios chip.it is a good practice to save your self.

Download bios bin file for HP EliteBook 830 G6 CATALONI-6050A3022401-MB-A01 from below link !

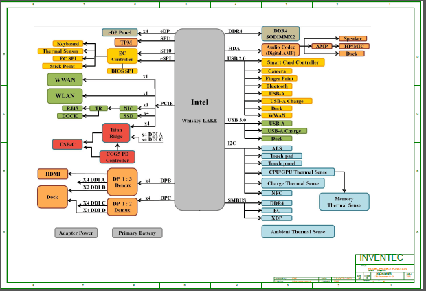
HP EliteBook 830 G6 Inventec CATALONI 6050A3022401-MB-A01 Schematic Diagram.

HP EliteBook 830 G6 Inventec CATALONI 6050A3022401-MB-A01 schematic file download. We are believing in reviving the technology and making minimum electronics waste, as our field is computers and laptops we are here trying to provide as much stuff as possible for free to make our contribution. At this platform you can download schematics diagram and other relative material to make it possible to repair.

Here you can download schematic diagram and other stuff for free, without any registration required.

Download schematic diagram file for HP EliteBook 830 G6 Inventec CATALONI 6050A3022401-MB-A01 from below link !

 

HP EliteBook 830 G6 Inventec CATALONI 6050A3022401-MB-A01 Boardview.

HP EliteBook 830 G6 Inventec CATALONI 6050A3022401-MB-A01 boardview file download. We are believing in reviving the technology and making minimum electronics waste, as our field is computers and laptops we are here trying to provide as much stuff as possible for free to make our contribution. At this platform you can download Broadview and other relative material to make it possible to repair.

Here you can download Board view and other stuff for free, without any registration required.

Download Boardview file for HP EliteBook 830 G6 Inventec CATALONI 6050A3022401-MB-A01 from below link !

 

error: Content is protected !!
AliSaler.com
Privacy Overview

This website uses cookies so that we can provide you with the best user experience possible. Cookie information is stored in your browser and performs functions such as recognising you when you return to our website and helping our team to understand which sections of the website you find most interesting and useful.