HP 250 G8 Compal FPI50 LA-H329P Rev.1.0 Bios bin.
HP 250 G8 Compal FPI50 LA-H329P Rev.1.0 Bios bin file download.We are believing in reviving the technology and making minimum electronics waste, as our field is computers and laptops we are here trying to provide as much stuff as possible for free to make our contribution. At this platform you can download confirm and tested bios files and other relative material to make it possible to repair.
Here you can download bios and other stuff for free, without any registration required.
Always remember! First Backup your old Bios chip and save it at (USB or Hard drive) then copy the downloaded Bios bin file into the Bios chip.Some time the machine states changed after programming bios chip.it is a good practice to save your self.
Download bios bin file for HP 250 G8 Compal FPI50 LA-H329P Rev.1.0 from below link !
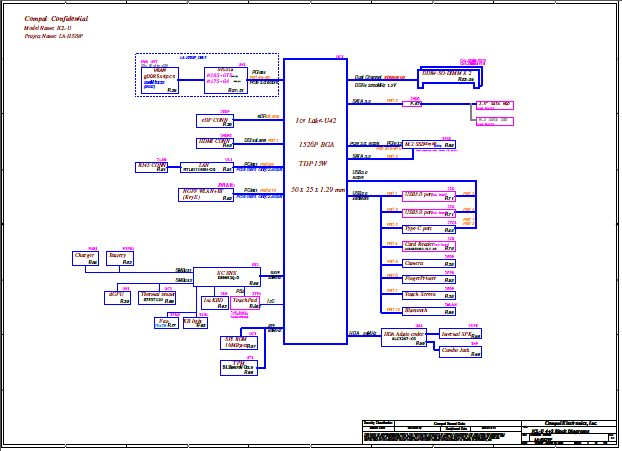
HP 250 G8 Compal FPI50 LA-H329P Rev.1.0 Schematic Diagram.
HP 250 G8 Compal FPI50 LA-H329P Rev.1.0 schematic file download. We are believing in reviving the technology and making minimum electronics waste, as our field is computers and laptops we are here trying to provide as much stuff as possible for free to make our contribution. At this platform you can download schematics diagram and other relative material to make it possible to repair.
Here you can download schematic diagram and other stuff for free, without any registration required.

Download schematic diagram file for HP 250 G8 Compal FPI50 LA-H329P Rev.1.0 from below link !
HP 250 G8 Compal FPI50 LA-H329P Rev 1.0 Boardview.
HP 250 G8 Compal FPI50 LA-H329P Rev 1.0 boardview file download. We are believing in reviving the technology and making minimum electronics waste, as our field is computers and laptops we are here trying to provide as much stuff as possible for free to make our contribution. At this platform you can download Broadview and other relative material to make it possible to repair.
Here you can download Board view and other stuff for free, without any registration required.

Download Boardview file for HP 250 G8 Compal FPI50 LA-H329P Rev 1.0 from below link !
AliSaler.com Laptop Bios and Schematics Free Download


