Dell Bios dump

Dell G15 5515 Ryzen LA-K453P Bios, Schematic, Boardview

Dell G15 5515 Ryzen LA-K453P Bios bin.

Dell G15 5515 Ryzen LA-K453P Bios bin file download.We are believing in reviving the technology and making minimum electronics waste, as our field is computers and laptops we are here trying to provide as much stuff as possible for free to make our contribution. At this platform you can download confirm and tested bios files and other relative material to make it possible to repair.

Here you can download bios and other stuff for free, without any registration required.

Always remember! First Backup your old Bios chip and save it at (USB or Hard drive) then copy the downloaded Bios bin file into the Bios chip.Some time the machine states changed after programming bios chip.it is a good practice to save your self.

Download bios bin file for Dell G15 5515 Ryzen LA-K453P from below link !

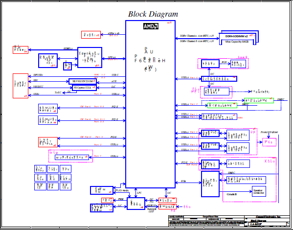
Dell G15 5515 Ryzen LA-K453P Schematic Diagram.

Dell G15 5515 Ryzen LA-K453P schematic file download. We are believing in reviving the technology and making minimum electronics waste, as our field is computers and laptops we are here trying to provide as much stuff as possible for free to make our contribution. At this platform you can download schematics diagram and other relative material to make it possible to repair.

Here you can download schematic diagram and other stuff for free, without any registration required.

Download schematic diagram file for Dell G15 5515 Ryzen LA-K453P from below link !

 

Dell G15 5515 Ryzen LA-K453P Boardview.

Dell G15 5515 Ryzen LA-K453P boardview file download. We are believing in reviving the technology and making minimum electronics waste, as our field is computers and laptops we are here trying to provide as much stuff as possible for free to make our contribution. At this platform you can download Broadview and other relative material to make it possible to repair.

Here you can download Board view and other stuff for free, without any registration required.

Download Boardview file for Dell G15 5515 Ryzen LA-K453P from below link !

 

Leave a Reply

error: Content is protected !!
AliSaler.com
Privacy Overview

This website uses cookies so that we can provide you with the best user experience possible. Cookie information is stored in your browser and performs functions such as recognising you when you return to our website and helping our team to understand which sections of the website you find most interesting and useful.