Lenovo ThinkBook 14s 15s Gen2 ITL – Type 20WE LA-K051P Bios bin.
Lenovo ThinkBook 14s 15s Gen2 ITL – Type 20WE LA-K051P Bios bin file download.We are believing in reviving the technology and making minimum electronics waste, as our field is computers and laptops we are here trying to provide as much stuff as possible for free to make our contribution. At this platform you can download confirm and tested bios files and other relative material to make it possible to repair.
Here you can download bios and other stuff for free, without any registration required.
Always remember! First Backup your old Bios chip and save it at (USB or Hard drive) then copy the downloaded Bios bin file into the Bios chip.Some time the machine states changed after programming bios chip.it is a good practice to save your self.
Download bios bin file for Lenovo ThinkBook 14s 15s Gen2 ITL – Type 20WE LA-K051P from below link !
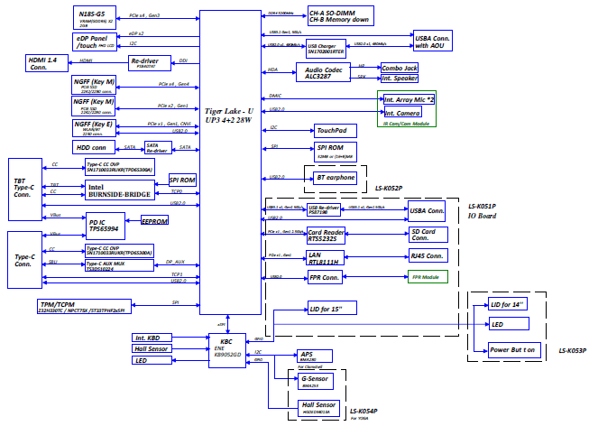
Lenovo ThinkBook 14 &15 G2 ITL Compal FLV34 LA-K051P Rev1A Schematic Diagram.
Lenovo ThinkBook 14 &15 G2 ITL Compal FLV34 LA-K051P Rev1A schematic file download. We are believing in reviving the technology and making minimum electronics waste, as our field is computers and laptops we are here trying to provide as much stuff as possible for free to make our contribution. At this platform you can download schematics diagram and other relative material to make it possible to repair.
Here you can download schematic diagram and other stuff for free, without any registration required.

Download schematic diagram file for Lenovo ThinkBook 14 &15 G2 ITL Compal FLV34 LA-K051P Rev1A from below link !
Lenovo ThinkBook 14 &15 G2 ITL Compal FLV34 LA-K051P Rev1A Boardview.
Lenovo ThinkBook 14 &15 G2 ITL Compal FLV34 LA-K051P Rev1A boardview file download. We are believing in reviving the technology and making minimum electronics waste, as our field is computers and laptops we are here trying to provide as much stuff as possible for free to make our contribution. At this platform you can download Broadview and other relative material to make it possible to repair.
Here you can download Board view and other stuff for free, without any registration required.

Download Boardview file for Lenovo ThinkBook 14 &15 G2 ITL Compal FLV34 LA-K051P Rev1A from below link !
AliSaler.com Laptop Bios and Schematics Free Download


