LENOVO BIOS rom file

Lenovo IdeaPad L3-15IML05 – LCFC GS55C NM-C951 Bios, Schematic, Boardview

Lenovo IdeaPad L3-15IML05 – LCFC GS55C NM-C951 Bios bin.

Lenovo IdeaPad L3-15IML05 – LCFC GS55C NM-C951 Lenovo IdeaPad L3-15IML05 – LCFC GS55C NM-C951 Bios bin file download.We are believing in reviving the technology and making minimum electronics waste, as our field is computers and laptops we are here trying to provide as much stuff as possible for free to make our contribution. At this platform you can download confirm and tested bios files and other relative material to make it possible to repair.

Here you can download bios and other stuff for free, without any registration required.

Always remember! First Backup your old Bios chip and save it at (USB or Hard drive) then copy the downloaded Bios bin file into the Bios chip.Some time the machine states changed after programming bios chip.it is a good practice to save your self.

Download bios bin file for Lenovo IdeaPad L3-15IML05 – LCFC GS55C NM-C951 from below link !

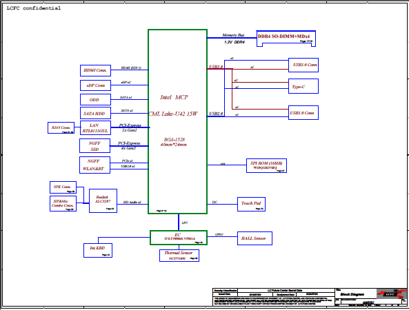
Lenovo IdeaPad L3-15IML05 – LCFC GS55C NM-C951 Schematic Diagram.

Lenovo IdeaPad L3-15IML05 – LCFC GS55C NM-C951 schematic file download. We are believing in reviving the technology and making minimum electronics waste, as our field is computers and laptops we are here trying to provide as much stuff as possible for free to make our contribution. At this platform you can download schematics diagram and other relative material to make it possible to repair.

Here you can download schematic diagram and other stuff for free, without any registration required.

Download schematic diagram file for Lenovo IdeaPad L3-15IML05 – LCFC GS55C NM-C951 from below link !

 

Lenovo IdeaPad L3-15IML05 – LCFC GS55C NM-C951 Boardview.

Lenovo IdeaPad L3-15IML05 – LCFC GS55C NM-C951 boardview file download. We are believing in reviving the technology and making minimum electronics waste, as our field is computers and laptops we are here trying to provide as much stuff as possible for free to make our contribution. At this platform you can download Broadview and other relative material to make it possible to repair.

Here you can download Board view and other stuff for free, without any registration required.

Download Boardview file for Lenovo IdeaPad L3-15IML05 – LCFC GS55C NM-C951 from below link !

 

error: Content is protected !!
AliSaler.com
Privacy Overview

This website uses cookies so that we can provide you with the best user experience possible. Cookie information is stored in your browser and performs functions such as recognising you when you return to our website and helping our team to understand which sections of the website you find most interesting and useful.