Lenovo IdeaPad 5-15IIL05 LCFC GS557 GS558 NM-C681 10th GEN Bios bin.
Lenovo IdeaPad 5-15IIL05 LCFC GS557 GS558 NM-C681 10th GEN Bios bin file download.We are believing in reviving the technology and making minimum electronics waste, as our field is computers and laptops we are here trying to provide as much stuff as possible for free to make our contribution. At this platform you can download confirm and tested bios files and other relative material to make it possible to repair.
Here you can download bios and other stuff for free, without any registration required.
Always remember! First Backup your old Bios chip and save it at (USB or Hard drive) then copy the downloaded Bios bin file into the Bios chip.Some time the machine states changed after programming bios chip.it is a good practice to save your self.
Download bios bin file for Lenovo IdeaPad 5-15IIL05 LCFC GS557 GS558 NM-C681 from below link !
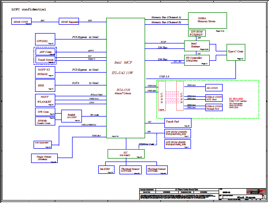
Lenovo IdeaPad 5-15IIL05 LCFC GS557 GS558 NM-C681 Schematic Diagram.
Lenovo IdeaPad 5-15IIL05 LCFC GS557 GS558 NM-C681 schematic file download. We are believing in reviving the technology and making minimum electronics waste, as our field is computers and laptops we are here trying to provide as much stuff as possible for free to make our contribution. At this platform you can download schematics diagram and other relative material to make it possible to repair.
Here you can download schematic diagram and other stuff for free, without any registration required.

Download schematic diagram file for Lenovo IdeaPad 5-15IIL05 LCFC GS557 GS558 NM-C681 from below link !
Lenovo IdeaPad 5-15IIL05 LCFC GS557 GS558 NM-C681 Boardview.
Lenovo IdeaPad 5-15IIL05 LCFC GS557 GS558 NM-C681 boardview file download. We are believing in reviving the technology and making minimum electronics waste, as our field is computers and laptops we are here trying to provide as much stuff as possible for free to make our contribution. At this platform you can download Broadview and other relative material to make it possible to repair.
Here you can download Board view and other stuff for free, without any registration required.

Download Boardview file for Lenovo IdeaPad 5-15IIL05 LCFC GS557 GS558 NM-C681 from below link !
AliSaler.com Laptop Bios and Schematics Free Download


