Lenovo Flex 5-14ITL05 LC56-14T 203013-1 Bios bin.
Lenovo Flex 5-14ITL05 LC56-14T 203013-1 Bios bin file download.We are believing in reviving the technology and making minimum electronics waste, as our field is computers and laptops we are here trying to provide as much stuff as possible for free to make our contribution. At this platform you can download confirm and tested bios files and other relative material to make it possible to repair.
Here you can download bios and other stuff for free, without any registration required.
Always remember! First Backup your old Bios chip and save it at (USB or Hard drive) then copy the downloaded Bios bin file into the Bios chip.Some time the machine states changed after programming bios chip.it is a good practice to save your self.
Download bios bin file for Lenovo Flex 5-14ITL05 LC56-14T 203013-1 from below link !
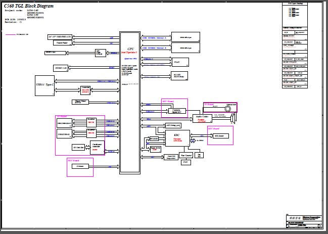
Lenovo Flex 5-14ITL05 LC56-14T 203013-1 Schematic Diagram.
Lenovo Flex 5-14ITL05 LC56-14T 203013-1 schematic file download. We are believing in reviving the technology and making minimum electronics waste, as our field is computers and laptops we are here trying to provide as much stuff as possible for free to make our contribution. At this platform you can download schematics diagram and other relative material to make it possible to repair.
Here you can download schematic diagram and other stuff for free, without any registration required.

Download schematic diagram file for Lenovo Flex 5-14ITL05 LC56-14T 203013-1 from below link !
AliSaler.com Laptop Bios and Schematics Free Download

